Cảm biến nhiệt độ nước làm mát: Cấu tạo, nguyên lý, kiểm tra
Hiện nay, dưới sự phát triển của nền kinh tế, nhu cầu sử dụng các loại xe hơi ngày càng cao. Để phương tiện này được vận hành ổn định, chúng ta phải bảo dưỡng định kỳ, đặc biệt là cảm biến nhiệt độ nước làm mát của hệ thống làm mát động cơ. Vậy, cảm biến nhiệt độ nước là gì? Cấu tạo, nguyên lý hoạt động và cách kiểm tra như thế nào? Cùng Đại An tìm hiểu trong bài viết sau đây nhé!
Cảm biến nhiệt độ nước làm mát là gì?
Cảm biến nhiệt độ nước làm mát (tiếng Anh: Engine Coolant Temperature, viết tắt: ECT) là cảm biến vô cùng quan trọng trong việc bảo quản động cơ, nâng cao năng suất hoạt động và vận hành ổn định. Nhiệm vụ chính của cảm biến này là đo, xác định nhiệt độ hợp chất làm mát và truyền tín hiệu về bộ điều khiển trung tâm (ECU). Từ đó, ECU có thể điều chỉnh một số hoạt động như: thời gian phun nguyên liệu, bật/tắt quạt két nước làm mát,... để duy trì hoạt động thích hợp.

Hình ảnh vị trí cảm biến nhiệt độ nước làm mát trên xe ô tô
Hiện nay, ở một số dòng xe cao cấp, ngoài cảm biến nhiệt độ nước còn được trang bị thêm một cảm biến khác. Cảm biến này được gắn ở van hằng nhiệt, đôi khi là két nước để theo dõi, truyền tín hiệu làm việc ở đây về ECU.
Cấu tạo cảm biến nhiệt độ nước
Cảm biến nhiệt độ nước làm mát ô tô có cấu tạo rất đơn giản. Hình dáng bên ngoài là một hình trụ rỗng, với phần nhiệt điện trở có hệ số âm - Điện trở này tăng lên khi nhiệt độ giảm và ngược lại. Vị trí cảm biến nhiệt độ nước ở phía trên của thân xe, gần với họng nước làm mát động cơ. Một số trường hợp đặc biệt, bộ phận cảm biến này được lắp đặt trên nắp máy. Lúc này, cảm biến có 2 chân là chân tín hiệu THW (THW Sensor) và chân mass E2.
Nguyên lý hoạt động của cảm biến nhiệt độ nước
Các loại cảm biến nhiệt độ hiện nay đều có nguyên lý hoạt động tương tự nhau, nhưng mức độ hoạt động và tỷ lệ thay đổi của điện trở với nhiệt độ không giống nhau. Bất cứ thay đổi nào của điện trở cũng có thể dẫn đến sự tăng/giảm điện áp truyền đến ECU thông qua nền tảng cầu phân áp. Bộ điều khiển trung tâm tiếp tục phát một điện áp từ bộ ổn áp đến cảm biến thông qua điện trở giới hạn dòng (điện trở có giá trị không đổi). Sau đó, điện áp này trở về ECU và ra mass.

Sự tăng/giảm của điện áp truyền đến ECU quyết định hoạt động làm mát động cơ
Trường hợp nhiệt độ động cơ thấp, giá trị điện trở của cảm biến nhiệt độ nước làm mát lúc này tăng cao và điện áp giữa 2 đầu của bộ chuyển đổi A/D lớn. Tín hiệu điện áp cao được mã hóa thành một giải xung vuông. Sau đó, được giải mã bởi bộ vi xử lý để ECU biết động cơ đang lạnh để điều chỉnh lượng xăng phun và góc đánh lửa kịp thời.
Với trường hợp nhiệt độ động cơ cao, giá trị điện trở cảm biến nhiệt độ nước làm mát giảm, đồng nghĩa với việc điện áp giữa 2 đầu bộ chuyển đổi A/D nhỏ. Lúc này, tín hiệu báo về cho bộ điều khiển trung tâm rằng động cơ đang nóng dần nên phải giảm lượng xăng phun và góc đánh lửa.
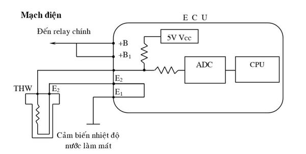
Sơ đồ mạch điện của cảm biến nhiệt độ nước làm mát
Hiện nay, cảm biến nhiệt độ nước làm mát ô tô thường có 2 dây. Tuy nhiên, một số dòng xe được lắp đặt thêm điện trở nhiệt để kết hợp hiển thị tình trạng lên đồng hồ taplo nên sẽ phát sinh thêm khoảng 1 - 2 dây.

Sơ đồ mạch điện cơ bản của cảm biến nhiệt độ nước
Kiểm tra cảm biến nhiệt độ nước làm mát
Việc kiểm tra cảm biến này phải đảm bảo các yêu cầu về nhiệt độ của nhà sản xuất quy định để mang lại kết quả kiểm tra chính xác nhất. Khách hàng có thể tham khảo các cách sau đây:
- Nhúng vào nước lạnh: Nếu giá trị điện trở tăng từ 4,8 đến 6,6 Ω thì cảm biến vẫn hoạt động thường.
Ngoài ra, để xác định sự biến thiên nhiệt độ khi nổ máy thì một máy chẩn đoán là không thể thiếu.
Các hư hỏng thường gặp trên cảm biến nhiệt độ nước
Sau một thời gian sử dụng, cảm biến nhiệt độ nước làm mát có thể bị lỗi hoặc hư hỏng, gây ảnh hưởng nghiêm trọng đến động cơ nếu không được khắc phục, thay mới kịp thời. Một số hư hỏng, lỗi cảm biến thường gặp như sau:
- Đứt dây, chập mạch là một trong những hư hỏng thường gặp.
- Hở mạch cảm biến.
Cách thay thế cảm biến nhiệt độ nước làm mát
Trước khi thay thế cảm biến nhiệt độ nước mới, khách hàng cần đỗ xe trên nền phẳng, kéo má phanh ô tô cẩn thận. Trang bị thiết bị bảo hộ và đảm bảo động cơ đã nguội trước khi thực hiện. Các bước thay thế cảm biến nhiệt độ nước làm mát như sau:
- Bước 2: Xác định vị trí cảm biến bằng cách tham khảo sổ tay lắp đặt của nhà sản xuất.
- Bước 3: Tháo giắc cắm ra khỏi cảm biến, kiểm tra trình trạng hư hỏng và bụi bẩn bám trên bề mặt. Vệ sinh bộ chế hòa khí trong trường hợp có quá nhiều bụi bẩn.

Tiến hành vệ sinh bộ chế hòa khí và các vị trí xung quanh
- Bước 5: Lắp vòng làm kín cho cảm biến mới. Sau đó, tiến hành lắp cảm biến mới vào đúng vị trí và gắn giắc cắm lên cảm biến.
- Bước 6: Vặn lại van xả trên bộ tản nhiệt, sau đó châm thêm dung dịch làm mát.
- Bước 7: Tiến hành khởi động xe để động cơ nóng lên và đóng nắp bộ tản nhiệt lại.
Mua cảm biến nhiệt độ nước làm mát ô tô ở đâu?
Hiện nay, khách hàng có thể dễ dàng tìm mua cảm biến nhiệt độ nước làm mát trên thị trường. Các sản phẩm có sự đa dạng về thông số kỹ thuật, chất liệu,... và được bán trên đa kênh như: thương mại điện tử (Shopee, Lazada, Tiki,...), các đại lý, cửa hàng bán phụ tùng ô tô gần nhất,... Do đó, việc kiểm soát chất lượng là vô cùng khó khăn.
Đại An - Một trong những địa chỉ chuyên phân phối thiết bị, phụ tùng chính hãng, uy tín nhất hiện nay. Đến với chúng tôi, khách hàng có thể sở hữu được những sản phẩm chất lượng, với giá thành cạnh tranh với thị trường. Nhờ kinh nghiệm được đúc kết trong 10 năm qua, Đại An tự hào là cái tên luôn mang đến sự tín nhiệm trong tâm trí khách hàng.
Cảm biến nhiệt độ nước làm mát được phân phối tại cửa hàng của chúng tôi được áp dụng công nghệ hiện đại từ các hãng sản xuất lớn trên toàn thế giới. Ngoài ra, Đại An còn cung cấp nhiều phụ tùng chính hãng của các hãng xe lớn hiện nay như phụ tùng Ford, phụ tùng ô tô Mazda,...

Đại An - đơn vị chuyên cung cấp thiết bị, phụ tùng chính hãng
Khi đến với Đại An, khách hàng sẽ nhận được những ưu đãi như sau:
- Đa dạng mẫu mã, kiểu dáng nhằm đáp ứng nhu cầu của mọi khách hàng.
- Độ bền sản phẩm cao, hạn chế hư hỏng, lỗi trong quá trình sử dụng, góp phần mang đến trải nghiệm tuyệt vời cho khách hàng.
- Đại An có nhiều chương trình ưu đãi khuyến mãi giúp khách hàng tiết kiệm nhiều nhất có thể.
Cảm biến nhiệt độ nước làm mát là một trong những thiết bị quan trong hệ thống làm mát động cơ, góp phần quyết định đến khả năng vận hành ổn định của xe. Tuy nhiên, trong thời gian dài sử dụng, bộ phận này dễ gặp các vấn đề hư hỏng, cần khách hàng phải sửa chữa hoặc thay mới. Lúc này, việc lựa chọn một đơn vị cung cấp cảm biến nhiệt độ nước làm mát ô tô chính hãng, chất lượng là vô cùng quan trọng để hạn chế rủi ro không mong muốn. Vui lòng liên hệ với chúng tôi để được hỗ trợ mua cảm biến phù hợp nhé!